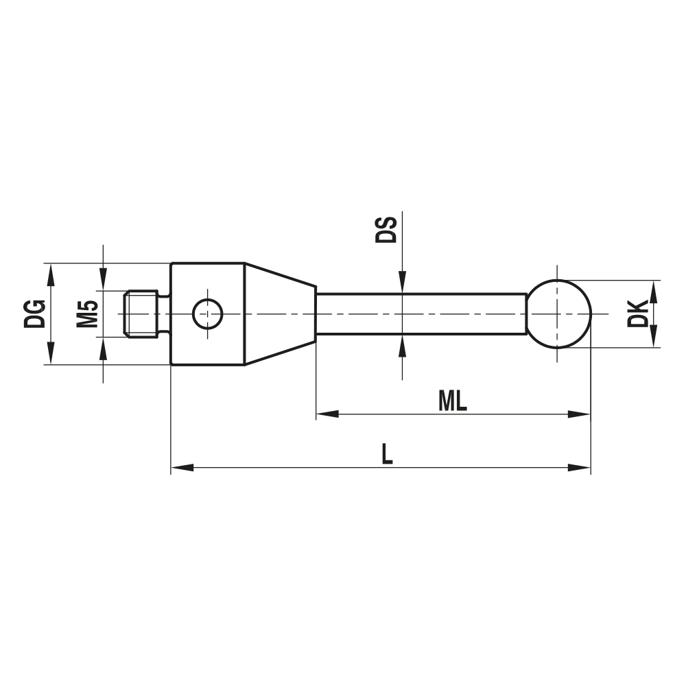
M5 Straight Scanning Stylus

Silicon Nitride Ball , Carbide Stem , Titanium Base
3.0 mm Ball; 48.0 mm Measuring Length; 58.0 mm Total Length

$50.00

TH M5 S30 11 058/K

Prices do not include Sales Tax or Shipping Cost.

Email this Description
M5 Straight Scanning Stylus
Silicon Nitride Ball , Carbide Stem , Titanium Base
Order-No.: TH M5 S30 11 058/K
Price: $50.00
Thread Size: M5
DK: 3.0 mm
L: 58.0 mm
DG: 11.0 mm
ML: 48.0 mm
DS: 2.0 mm
Thread size: M5
Probe Ball Material: Silicon Nitride
Stem Material: Carbide
Base Material: Titanium
Weight: 5.4 g
Designation "/K" in part# indicates sphere is cup mounted and glued to the stem.
3.0 mm Ball; 48.0 mm Measuring Length; 58.0 mm Total Length
Compare to:
Zeiss: 626115-0300-058

Comparable data disclaimer